O que é associação de resistores?
Associação de resistores é a ligação de dois ou mais resistores em um mesmo circuito para obter um valor de resistência diferente do que cada um oferece sozinho. O resultado dessa combinação é chamado de resistência equivalente: um único valor que representa o efeito de todos os resistores associados.
Se você já estudou o que é um resistor e como ele funciona, sabe que ele limita a passagem de corrente elétrica. A associação de resistores permite controlar essa limitação com mais flexibilidade, usando os componentes que você tem disponíveis.
Por que associar resistores?
O motivo mais comum é simples: você não tem o resistor com o valor exato que precisa.
Imagine que seu cálculo pede um resistor de 750Ω, mas na sua bancada você só tem resistores de 1kΩ e 330Ω. Se souber como combinar esses valores, consegue chegar perto do que precisa sem comprar um componente novo.
Outros motivos para associar resistores:
- Distribuir a potência entre vários resistores quando um único não suporta sozinho
- Ajustar com precisão o valor de resistência em circuitos sensíveis
- Criar divisores de tensão, que dependem de dois resistores ligados em série
- Obter valores intermediários que não existem na série comercial (E12, E24)
Os três tipos de associação
Existem três formas de ligar resistores entre si:
- Série: os resistores ficam um após o outro, no mesmo caminho da corrente. A resistência total aumenta.
- Paralelo: os resistores ficam lado a lado, cada um oferecendo um caminho alternativo para a corrente. A resistência total diminui.
- Mista: o circuito mistura trechos em série com trechos em paralelo. Você resolve por partes, simplificando até restar um único valor.
Cada tipo tem sua própria fórmula e seu próprio comportamento. Vamos ver cada um em detalhe.
Associação de resistores em série
Na associação em série, os resistores são ligados um após o outro, formando um único caminho para a corrente elétrica. Toda a corrente que passa pelo primeiro resistor passa também pelo segundo, pelo terceiro e assim por diante. A resistência equivalente é a soma de todas as resistências.

Como funciona a ligação em série
Pense em uma mangueira de água com três estreitamentos: a água (corrente) precisa passar por todos eles, um de cada vez. Cada estreitamento dificulta a passagem, e a dificuldade total é a soma de todas as dificuldades individuais.
Em um circuito em série, duas coisas acontecem:
- A corrente é a mesma em todos os resistores. Não tem por onde “escapar”; o caminho é único.
- A tensão se divide entre os resistores. Cada um “consome” uma parte da tensão total proporcionalmente ao seu valor de resistência.
Essa divisão de tensão é a base do circuito chamado divisor de tensão, muito usado para adaptar sinais entre componentes.
Como calcular resistência equivalente em série
A fórmula da resistência equivalente é direta:
Você simplesmente soma os valores de todos os resistores.
Exemplo rápido: três resistores de 100 Ω, 220 Ω e 330 Ω ligados em série.

O circuito se comporta como se houvesse um único resistor de 650 Ω no lugar dos três.
Exemplo resolvido: resistores em série
Situação: você tem uma fonte de 9V e dois resistores em série, R1 = 1 kΩ (1.000 Ω) e R2 = 2,2 kΩ (2.200 Ω). Qual a resistência equivalente, a corrente no circuito e a tensão em cada resistor?

Passo 1: calcular a resistência equivalente.
(ou 3,2kΩ)

Passo 2: calcular a corrente no circuito usando a Lei de Ohm ().
Essa corrente é a mesma nos dois resistores.
Passo 3: calcular a tensão em cada resistor (V = R × I).
Conferência: V1 + V2 = 2,81 + 6,19 = 9 V. Bate com a tensão da fonte.
Note que o resistor maior (2,2 kΩ) “fica” com a maior parte da tensão. Isso sempre acontece em série: a tensão se distribui proporcionalmente à resistência.
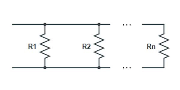
Associação de resistores em paralelo
Na associação em paralelo, os resistores são ligados lado a lado, com os terminais conectados nos mesmos dois pontos. A corrente se divide entre os caminhos disponíveis, e a resistência equivalente é sempre menor do que o menor resistor individual.

Como funciona a ligação em paralelo
Imagine uma avenida com três faixas. Cada faixa é um resistor. Os carros (corrente) podem escolher qualquer faixa, e quanto mais faixas abertas, mais carros passam ao mesmo tempo. Adicionar uma faixa nunca dificulta o trânsito; pelo contrário, facilita.
Em um circuito em paralelo:
- A tensão é a mesma em todos os resistores. Todos estão ligados nos mesmos dois pontos.
- A corrente se divide entre os ramos. O resistor com menor valor de resistência recebe mais corrente.
Como calcular resistência equivalente em paralelo
A fórmula da resistência equivalente usa o inverso das resistências:
Depois de somar os inversos, você inverte o resultado para encontrar ().
Exemplo rápido: dois resistores de 1 kΩ (1.000 Ω) em paralelo.

Faz sentido: dois caminhos iguais oferecem metade da resistência de um só.
Regra prática: quando “N” resistores iguais de valor R estão em paralelo, a resistência equivalente é R/N. Três resistores de 330Ω em paralelo dão .
Atalho para dois resistores em paralelo
Quando você tem apenas dois resistores em paralelo, existe uma fórmula mais rápida que evita trabalhar com frações:
Essa fórmula é chamada de “produto sobre soma” e é a mais usada no dia a dia.
Exemplo: R1 = 4,7 kΩ e R2 = 10 kΩ em paralelo.

O resultado (3,2kΩ) é menor que o menor dos dois (4,7 kΩ). Em paralelo, a resistência equivalente sempre será menor que qualquer resistor individual.
Exemplo resolvido: resistores em paralelo
Situação: três resistores em paralelo, R1 = 220 Ω, R2 = 330 Ω e R3 = 470 Ω, ligados a uma fonte de 12V. Qual a resistência equivalente e a corrente total?

Passo 1: calcular a resistência equivalente.
O resultado é menor que o menor resistor (220 Ω), como esperado.
Passo 2: calcular a corrente total.
Passo 3 (bônus): calcular a corrente em cada ramo.
Conferência: I1 + I2 + I3 = 54,5 + 36,4 + 25,5 = 116,4 mA. Bate com a corrente total.
O resistor de menor valor (220 Ω) recebe a maior parcela de corrente. Isso sempre acontece em paralelo.
Associação mista de resistores
A associação mista combina trechos de resistor em série e paralelo no mesmo circuito. Para calcular a resistência equivalente total, você identifica os trechos, resolve cada um separadamente e vai simplificando até sobrar um único valor.
Como identificar série e paralelo no mesmo circuito
A regra é simples:
- Se dois resistores compartilham a mesma corrente (estão no mesmo caminho, sem bifurcação entre eles), estão em série.
- Se dois resistores compartilham os mesmos dois pontos de conexão (a corrente tem caminhos alternativos), estão em paralelo.
Na prática, comece procurando os resistores que estão “mais internos” no circuito, ou seja, os que formam uma associação clara (série ou paralelo) entre dois nós. Resolva essa parte primeiro, substitua por um único resistor equivalente e analise o circuito simplificado.
Como calcular a resistência equivalente na associação mista
- Redesenhe o circuito, se necessário, identificando os nós (pontos de conexão)
- Identifique os resistores que estão em série pura ou paralelo puro
- Calcule a resistência equivalente desse trecho
- Substitua o trecho pela resistência equivalente
- Repita os passos 2 a 4 até restar um único valor
Pense nisso como simplificar uma expressão matemática com parênteses: você resolve o que está “dentro dos parênteses” primeiro.
Exemplo resolvido: associação mista
Situação: R1 = 100 Ω está em série com a associação em paralelo de R2 = 200 Ω e R3 = 300 Ω. Qual a resistência equivalente total?

Passo 1: resolver o trecho em paralelo (R2 e R3).
Passo 2: agora o circuito ficou simples: R1 (100 Ω) em série com (120 Ω).

A resistência equivalente de todo o circuito é 220 Ω.
Se a fonte fosse de 5V, a corrente total seria:

E a tensão sobre cada trecho:
A corrente em cada Resistor:
Conferência:
Como usar associação de resistores na prática
Saber como calcular a resistência equivalente é útil no papel, mas a associação de resistores resolve problemas reais do dia a dia de quem monta circuitos.
Quando você não tem o valor exato de resistor
Os resistores são fabricados em valores padronizados, como as séries comerciais E12, E24 e E96. Se o cálculo pede 750 Ω, esse valor não existe na série E12.
Soluções práticas:
- Use o valor comercial mais próximo (820 Ω na série E12). Na maioria dos circuitos, funciona perfeitamente.
- Associe dois resistores que você já tem. Exemplo: 330 Ω + 390 Ω em série = 720 Ω, bem próximo dos 750 Ω. Ou dois resistores de 1,5 kΩ em paralelo = 750 Ω exatos.
Associação em projetos com Arduino e LEDs
Em projetos com Arduino, a associação de resistores aparece com frequência:
- Precisa de um resistor para LED de 150 Ω mas só tem de 100 Ω e 47 Ω? Ligue em série: 100 + 47 = 147 Ω, próximo o bastante.
- Quer ligar três LEDs iguais, cada um com seu resistor de 220 Ω? Cada ramo (LED + resistor) fica em paralelo com os outros. A resistência equivalente que a fonte “enxerga” para os resistores cai para cerca de 73 Ω, e a corrente total triplica.
- Resistores de pull-up e pull-down para botões normalmente usam 10 kΩ. Se não tiver, dois de 4,7 kΩ em série (9,4k Ω) funcionam bem, ou dois de 22k Ω em paralelo (11 kΩ).
Cuidados com a potência na associação
Quando você associa resistores, a potência dissipada se distribui entre eles, mas é preciso verificar se nenhum resistor individual ultrapassa seu limite.
Na associação em série, a potência se divide proporcionalmente à resistência: o resistor maior dissipa mais potência. Na associação em paralelo, o resistor menor recebe mais corrente e portanto dissipa mais potência.
Regra prática: calcule a potência em cada resistor individualmente (P = I² × R ou ) e confirme que está dentro do limite. Para saber mais sobre como escolher a potência correta do resistor, veja nosso guia dedicado.
10 exercícios resolvidos sobre associação de resistores
Exercício 1: Série simples
Enunciado: Três resistores de 470 Ω, 1 kΩ e 2,2 kΩ estão ligados em série. Qual a resistência equivalente?
Resolução:
Exercício 2: Paralelo simples
Enunciado: Dois resistores de 1 kΩ e 2,2 kΩ estão ligados em paralelo. Qual a resistência equivalente?
Resolução:
Exercício 3: Resistores iguais em paralelo
Enunciado: Quatro resistores de 100 Ω estão todos em paralelo. Qual a resistência equivalente?
Resolução:
Para N resistores iguais:
Exercício 4: Corrente e tensão em série
Enunciado: R1 = 330 Ω e R2 = 470 Ω estão em série, ligados a uma fonte de 12 V. Qual a corrente e a tensão em cada resistor?
Resolução:
(Corrente igual nos 2 resistores igual nos dois)
Conferência: 4,95 + 7,05 = 12 V.
Exercício 5: Corrente em cada ramo (paralelo)
Enunciado: R1 = 100 Ω e R2 = 300 Ω estão em paralelo, ligados a uma fonte de 6 V. Qual a corrente em cada ramo e a corrente total?
Resolução:
Como a tensão é igual em paralelo:
Confirmando pela resistência equivalente:
Confere.
Exercício 6: Associação mista clássica
Enunciado: R1 = 100 Ω em série com a associação em paralelo de R2 = 220 Ω e R3 = 220 Ω. Qual a resistência equivalente total?
Resolução:
Passo 1: R2 e R3 em paralelo (são iguais):
Passo 2: R1 em série com :
Exercício 7: Associação mista com três etapas
Enunciado: R1 = 100 Ω e R2 = 200 Ω estão em paralelo. O resultado está em série com R3 = 150 Ω. Todo esse conjunto está em paralelo com R4 = 300 Ω. Qual a resistência equivalente?
Resolução:
Passo 1: R1 e R2 em paralelo.
Passo 2: em série com R3.
Passo 3: em paralelo com R4.
Exercício 8: Substituição de resistor indisponível
Enunciado: Seu cálculo pede 750 Ω, mas você só tem resistores de 1,5 kΩ. Como obter 750 Ω?
Resolução:
Dois resistores de 1.500Ω em paralelo:
Perfeito. Dois resistores iguais em paralelo sempre dão metade do valor.
Exercício 9: Potência em série
Enunciado: R1 = 470 Ω e R2 = 330 Ω estão em série, ligados a uma fonte de 10 V. Qual a potência dissipada em cada resistor? Resistores de 1/4 W suportam?
Resolução:
(73 mW)
(52 mW)
Ambos estão bem abaixo de 1/4 W (0,25 W). Resistores de 1/4 W suportam sem problema.
Exercício 10: Circuito misto com cálculo de corrente e tensão
Enunciado: R1 = 1kΩ está em série com o paralelo de R2 = 2,2 kΩ e R3 = 3,3 kΩ. A fonte é de 15 V. Calcule a resistência equivalente, a corrente total, a tensão no trecho em paralelo e a corrente em R2 e R3.
Resolução:
Passo 1: R2 e R3 em paralelo.
Passo 2: R1 em série com R_par.
Passo 3: corrente total.
Passo 4: tensão em cada trecho.
Conferência: 6,47 + 8,53 = 15V.
Passo 5: corrente em cada ramo do paralelo (a tensão no trecho paralelo é 8,53 V).
Conferência: 3,88 + 2,58 ≈ 6,46 mA (a pequena diferença é arredondamento). Confere com a corrente total.
Perguntas Frequentes
Qual a diferença entre resistência equivalente e resistência total?
Na prática, significam a mesma coisa: o valor único de resistência que substitui toda a associação. “Resistência equivalente” é o termo técnico mais preciso, enquanto “resistência total” é a forma mais usada no dia a dia e em enunciados de exercícios. Os dois se referem ao resultado final do cálculo da associação.
Posso associar resistores de potências diferentes?
Pode, sem problema algum, desde que cada resistor individual esteja operando dentro do seu próprio limite de potência. Se você associa um resistor de 1/4W com um de 1W, basta garantir que a potência dissipada em cada um não exceda seu valor nominal. Calcule a potência em cada resistor separadamente usando ().
Como saber se os resistores estão em série ou em paralelo só olhando a placa?
Observe os pontos de conexão. Se dois resistores compartilham um terminal e a corrente precisa passar por um para chegar ao outro, estão em série. Se os dois terminais de um resistor estão conectados nos mesmos dois pontos que os terminais de outro, estão em paralelo. Em placas de circuito impresso, acompanhe as trilhas: se as trilhas se bifurcam e depois se reencontram, os componentes nesse trecho estão em paralelo.
Associar resistores em paralelo sempre diminui a resistência?
Sim, sempre. Cada resistor adicionado em paralelo abre um novo caminho para a corrente, reduzindo a resistência que o circuito oferece à fonte. A resistência equivalente em paralelo será sempre menor que o menor resistor individual da associação. Mesmo que você coloque um resistor de 1MΩ em paralelo com um de 100Ω, a resistência equivalente cai (para 99,99Ω, nesse caso).
Próximos passos
Agora que você sabe como calcular a resistência equivalente em série, paralelo e mista, consegue resolver tanto exercícios de prova quanto problemas reais na bancada.
Se você está montando um circuito e precisa encontrar a combinação certa de resistores com os valores que tem em mãos, experimente nossa calculadora de resistor online. E se precisa identificar o valor de um resistor antes de usar na associação, o guia sobre código de cores de resistor mostra como ler as faixas passo a passo.
Para quem está trabalhando com Arduino ou montando projetos com LEDs, o artigo sobre como calcular resistor para LED é o próximo passo natural, já que muitas vezes você vai precisar associar resistores para chegar ao valor ideal de limitação de corrente.

