Calculadora Partida Estrela-Triângulo
Dimensione contatores, relé térmico, fusíveis e cabos
📐 Como funciona a partida Y-Δ
1º Estágio — Estrela (Y): K1 + K3 fecham. O motor recebe tensão de linha dividida por √3 nas bobinas. Corrente de partida = 1/3 da partida direta. Torque = 1/3 do nominal.
Transição: K3 abre. Breve pausa (~50ms).
2º Estágio — Triângulo (Δ): K2 fecha. Motor opera em regime normal com tensão plena nas bobinas.
Requisitos: Motor de 6 ou 12 terminais. Tensão da rede = tensão do triângulo do motor (ex: rede 380V → motor 220/380V).
Intertravamento: K2 e K3 nunca podem fechar ao mesmo tempo (curto-circuito). Usar intertravamento elétrico + mecânico.
⚠️ Importante: O dimensionamento definitivo deve considerar fatores de correção de temperatura, agrupamento de cabos e características específicas do motor. Consulte sempre um profissional habilitado e a NBR 5410.
O que é Partida Estrela Triângulo?
A partida estrela triângulo é um método de partida de motores trifásicos que reduz a corrente elétrica inicial ao ligar o motor em configuração estrela e depois comutar para triângulo. Esse processo evita picos de corrente e protege a instalação elétrica.
Na prática, essa técnica é amplamente utilizada na partida de motores elétricos industriais, principalmente quando se deseja uma partida mais suave sem o uso de equipamentos eletrônicos mais complexos.
Ela faz parte dos principais métodos de acionamento de motores e é bastante comum em sistemas de automação industrial, painéis elétricos e máquinas que operam com cargas moderadas.

Definição da partida estrela triângulo
A partida estrela triângulo é um sistema de acionamento que altera a forma de ligação dos enrolamentos do motor durante a partida.
Funciona em duas etapas bem definidas:
- Inicialmente, o motor é ligado em ligação estrela, reduzindo a tensão aplicada em cada bobina
- Após alguns segundos, ocorre a comutação para ligação triângulo, permitindo operação em regime nominal
Essa mudança reduz significativamente a corrente de partida, que pode cair para cerca de um terço da partida direta.
Esse tipo de partida é indicado para motores trifásicos com seis terminais acessíveis, permitindo a mudança de configuração elétrica.
Objetivo do método na partida de motores
O principal objetivo da partida estrela triângulo é reduzir a corrente de partida sem necessidade de equipamentos eletrônicos avançados.
Quando um motor parte diretamente, ele pode consumir correntes muito elevadas, o que pode causar:
- Queda de tensão na rede elétrica
- Desarme de disjuntores
- Aquecimento excessivo dos cabos
- Impactos mecânicos no sistema
Com a partida estrela triângulo, esses problemas são minimizados, pois:
- A corrente inicial é reduzida
- O esforço elétrico sobre a rede diminui
- O sistema se torna mais estável na partida
Isso torna o método uma solução eficiente e econômica em muitas aplicações industriais.
Diferença entre ligação estrela e ligação triângulo
A principal diferença está na forma como os enrolamentos do motor são conectados e na tensão aplicada em cada fase.

Na ligação estrela:
- A tensão em cada bobina é menor
- A corrente de partida é reduzida
- O torque também é menor

Na ligação triângulo:
- A tensão aplicada nas bobinas é total
- O motor opera com potência nominal
- O torque é máximo para operação normal
De forma simples:
- Estrela é usada para iniciar o motor com segurança
- Triângulo é usada para operação contínua e plena
Essa diferença é fundamental para entender como funciona a partida estrela triângulo e por que ela é tão utilizada.
Quando esse tipo de partida é utilizado
A partida estrela triângulo é utilizada quando se deseja reduzir a corrente de partida em motores trifásicos, sem comprometer o funcionamento final do equipamento.
Ela é indicada principalmente em situações como:
- Motores de média e alta potência
- Sistemas industriais com limitação de corrente
- Equipamentos que não exigem alto torque na partida
Exemplos práticos incluem:
- Bombas centrífugas
- Ventiladores industriais
- Compressores leves
Por outro lado, esse método não é ideal quando o motor precisa de alto torque logo no início, como em esteiras carregadas ou britadores.
Como Funciona a Partida Estrela Triângulo
A partida estrela triângulo funciona iniciando o motor em ligação estrela para reduzir a corrente e, após um tempo, comuta automaticamente para ligação triângulo para operação normal. Esse processo acontece de forma sequencial e controlada.

Na prática, o sistema utiliza contatores e um temporizador para realizar essa troca sem intervenção manual, garantindo uma partida mais suave e segura para o motor trifásico.
Esse método é muito utilizado em automação industrial por ser simples, eficiente e de baixo custo em comparação com inversores de frequência ou soft starters.
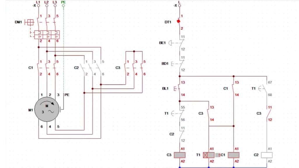
Sequência de funcionamento da partida estrela triângulo (passo a passo completo)
Ao pressionar o botão de partida (BL1), o circuito de comando da partida estrela triângulo inicia uma sequência automática de acionamentos. A seguir, você confere o funcionamento detalhado de todos os componentes envolvidos.
▶️ 1. Estado inicial do sistema
Antes do acionamento, o sistema está completamente desligado:
- Contator principal (C1) → desligado
- Contator estrela (C3) → desligado
- Contator triângulo (C2) → desligado
- Temporizador (T1) → desenergizado
- Motor → parado
Todos os contatos auxiliares permanecem em sua condição normal (NA abertos e NF fechados).
▶️ 2. Acionamento do botão BL1

Ao pressionar o botão BL1 (liga):
- O circuito de comando é energizado
- A corrente percorre os dispositivos de proteção (DT1, BE1, BD1)
- O sistema inicia sua sequência de partida
▶️ 3. Energização do contator principal (C1)
Imediatamente após o acionamento:
- A bobina de C1 é energizada
- Os contatos principais fecham e alimentam o motor
- O contato auxiliar de C1 (13-14) fecha, realizando o selo elétrico
Isso mantém o sistema ligado mesmo após soltar o botão BL1.
▶️ 4. Ativação do temporizador (T1)
Simultaneamente:
- O temporizador T1 é energizado
- Ele inicia a contagem do tempo configurado
Nesse momento, seus contatos ainda permanecem na posição inicial.
▶️ 5. Partida do motor em estrela
Com o circuito ainda no estado inicial do temporizador:
- O contato temporizado (T1 – 55/56) está fechado
- A bobina do contator estrela (C3) é energizada
Resultado:
- O motor parte em ligação estrela
- A corrente de partida é reduzida
- A aceleração ocorre de forma suave
▶️ 6. Transição controlada pelo temporizador

Após o tempo ajustado:
- O contato T1 (55-56) abre
- O contato T1 (67-68) fecha
Essa comutação marca a mudança de estrela para triângulo.
▶️ 7. Desligamento do contator estrela (C3)
Com a abertura do contato temporizado:
- A bobina de C3 é desenergizada
- O motor sai da configuração estrela
▶️ 8. Tempo morto de segurança
Existe um pequeno intervalo entre:
- O desligamento de C3
- O acionamento de C2
Esse tempo evita curto-circuito entre fases.
▶️ 9. Entrada em triângulo
Com o fechamento do contato T1 (67-68):
- A bobina do contator triângulo (C2) é energizada
Resultado:
- O motor passa para ligação triângulo
- Recebe tensão total
- Opera com potência nominal
▶️ 10. Regime permanente do motor
Nesse estágio:
- C1 → ligado
- C2 → ligado
- C3 → desligado
O motor está em funcionamento normal.
🔒 11. Intertravamentos de segurança
O sistema possui intertravamentos elétricos essenciais:
- C2 impede o acionamento de C3
- C3 impede o acionamento de C2
Isso evita o acionamento simultâneo, que causaria curto-circuito grave.
⛔ 12. Desligamento do sistema
O motor pode ser desligado através de:
- Botão de parada (BD1)
- Botão de emergência (BE1)
- Dispositivo de proteção (DT1)
Ao atuar qualquer um deles:
- O circuito de comando é interrompido
- Todos os contatores são desligados
- O motor para imediatamente
Resumo da sequência
- Pressiona BL1
- C1 energiza (selo ativado)
- T1 inicia contagem
- C3 energiza → motor em estrela
- Tempo termina
- C3 desliga
- T1 comuta
- C2 energiza → motor em triângulo
- Motor entra em regime
Componentes da Partida Estrela Triângulo
O sistema estrela triângulo é composto por dispositivos elétricos que controlam, protegem e executam a partida do motor trifásico. Esses componentes trabalham em conjunto para garantir uma comutação segura e eficiente.
Na prática, entender esses elementos é essencial para quem deseja saber como funciona a partida estrela triângulo e também como montar ou fazer manutenção em um painel elétrico.
H3: Contatores e suas funções
Os contatores são os principais responsáveis pelo acionamento do motor no sistema estrela triângulo.
Normalmente, são utilizados três contatores:

- Contator principal
Alimenta o motor e permanece ligado durante todo o funcionamento - Contator estrela
Fecha o circuito na configuração estrela durante a partida - Contator triângulo
Assume após a comutação e mantém o motor em regime normal
Esses dispositivos atuam como “interruptores automáticos”, comandados por sinais elétricos.
Um ponto importante é o intertravamento:
- Impede que estrela e triângulo fechem ao mesmo tempo
- Evita curto-circuito entre fases
- Garante segurança operacional
Relé térmico de proteção
O relé térmico é responsável pela proteção contra sobrecarga do motor.
Ele monitora a corrente elétrica e atua quando identifica valores acima do permitido por um determinado tempo.

Principais funções:
- Proteger o motor contra aquecimento excessivo
- Desligar o sistema em caso de sobrecarga
- Aumentar a vida útil do equipamento
Exemplo prático:
- Se uma bomba travar mecanicamente, o relé térmico desarma o sistema antes que o motor queime
Esse componente é indispensável em qualquer sistema de partida de motores elétricos.
Temporizador (timer)
O temporizador controla o tempo de permanência do motor na ligação estrela.
Seu papel é garantir a transição correta entre os modos de operação:

- Inicia a contagem ao ligar o motor
- Mantém o sistema em estrela por alguns segundos
- Comanda a troca para triângulo
- A escolha do tempo ideal depende de fatores como:
- Inércia da carga
- Potência do motor
- Tipo de aplicação
Um ajuste correto melhora o desempenho e evita falhas durante a comutação.
Disjuntores e proteção elétrica
Os disjuntores são responsáveis pela proteção geral do circuito elétrico.
Eles atuam em situações como:

- Curto-circuito
- Sobrecorrente
- Falhas elétricas graves
- Funções principais:
- Interromper o circuito automaticamente em caso de falha
- Proteger cabos, motores e equipamentos
- Garantir segurança da instalação
Em sistemas industriais, é comum utilizar:
- Disjuntores termomagnéticos
- Fusíveis de proteção complementar
Esses dispositivos formam a base da segurança elétrica no sistema estrela triângulo.
Vantagens e Desvantagens da Partida Estrela Triângulo
A partida estrela triângulo é vantajosa por reduzir a corrente de partida, mas possui limitações como baixo torque inicial. Por isso, sua aplicação deve ser bem avaliada conforme o tipo de carga.
Esse método é amplamente utilizado na partida de motores trifásicos por seu custo acessível e simplicidade, porém não é a melhor escolha para todos os cenários.
Redução da corrente de partida
Uma das maiores vantagens da partida estrela triângulo é a redução da corrente de partida.
Ao iniciar em ligação estrela:
- A tensão em cada bobina é reduzida
- A corrente de partida cai para cerca de 1/3 da partida direta
- O impacto na rede elétrica é significativamente menor
Isso traz benefícios como:
- Menor queda de tensão
- Redução de picos elétricos
- Maior estabilidade do sistema
Esse fator é essencial em instalações industriais com vários equipamentos operando simultaneamente.
Impacto no torque do motor
Apesar da redução de corrente, há uma consequência importante: o torque de partida também diminui.
Na ligação estrela:
- O torque inicial é reduzido proporcionalmente à tensão
- O motor parte com menos força
Isso pode ser um problema em aplicações que exigem alto esforço inicial.
Exemplos onde pode haver limitação:
- Esteiras com carga pesada
- Compressores com alta pressão inicial
- Máquinas com grande inércia
Por outro lado, funciona muito bem em cargas leves, como ventiladores e bombas centrífugas.
Limitações do método
A partida estrela triângulo possui algumas limitações técnicas que devem ser consideradas:
- Não é adequada para cargas com alto torque de partida
- Pode causar pequenos picos na comutação
- Exige motores com seis terminais acessíveis
- Não permite controle de velocidade
Além disso, o processo de transição pode gerar:
- Trancos mecânicos
- Variações momentâneas de corrente
Por isso, o dimensionamento correto é fundamental para evitar problemas operacionais.
Comparação com outros tipos de partida
Quando comparada com outros métodos de partida de motores elétricos, a estrela triângulo apresenta vantagens e desvantagens claras.
Comparação prática:
Partida direta:
- Mais simples
- Corrente muito alta
- Alto impacto na rede
Partida estrela triângulo:
- Reduz corrente
- Custo baixo
- Torque reduzido na partida
Soft starter:
- Controle suave de corrente e torque
- Maior custo
- Melhor desempenho em cargas variadas
Inversor de frequência:
- Controle total de velocidade
- Máxima eficiência
- Custo mais elevado
A escolha ideal depende do equilíbrio entre custo, desempenho e necessidade da aplicação.
Diagrama Elétrico da Partida Estrela Triângulo
O diagrama elétrico da partida estrela triângulo representa como os componentes são interligados para permitir a comutação entre estrela e triângulo com segurança. Ele é dividido em circuito de potência e circuito de comando.
Entender esse diagrama é essencial para quem deseja instalar, analisar ou fazer manutenção em sistemas de partida de motores trifásicos.
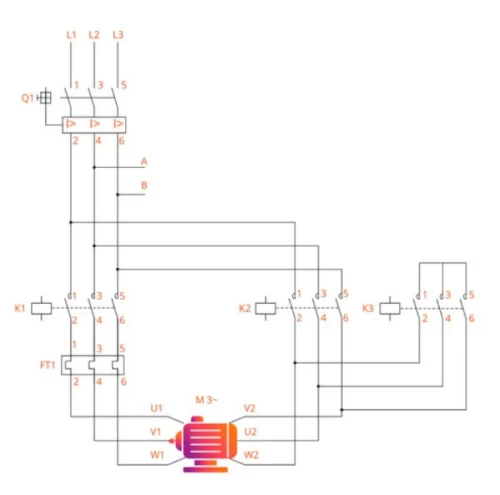
Diagrama de potência
O diagrama de potência mostra como a energia elétrica chega ao motor e como ocorre a mudança de ligação.
Nesse circuito, encontramos:
- Alimentação trifásica
- Contator principal
- Contator estrela
- Contator triângulo
- Motor trifásico
Funcionamento básico:
- Na partida, o contator estrela conecta os enrolamentos em configuração estrela
- Após a comutação, o contator triângulo altera a ligação para operação normal
Esse circuito é responsável pela condução da corrente que alimenta o motor.
Diagrama de comando
O diagrama de comando controla a lógica de funcionamento do sistema.
Ele é responsável por:
- Acionar os contatores
- Controlar o tempo de comutação
- Garantir segurança na operação
Principais elementos:
- Botão de liga e desliga
- Contatos auxiliares
- Temporizador
- Bobinas dos contatores
Esse circuito trabalha com baixa corrente e é fundamental para automatizar o processo de partida.
Intertravamento entre contatores
O intertravamento é um dos pontos mais críticos do sistema estrela triângulo.
Ele garante que:
- O contator estrela e o triângulo nunca sejam acionados juntos
- Não ocorra curto-circuito entre fases
Existem dois tipos principais:
- Intertravamento elétrico com contatos auxiliares
- Intertravamento mecânico entre contatores
Sem esse recurso, o sistema pode sofrer falhas graves e danos ao motor e à instalação.
Leitura e interpretação do circuito
Saber ler o diagrama elétrico é essencial para diagnóstico e instalação correta.
Alguns pontos importantes:
- Identificar símbolos elétricos corretamente
- Diferenciar circuito de potência e comando
- Seguir a sequência lógica do acionamento
Dicas práticas:
- Comece pelo circuito de comando
- Entenda a lógica antes da potência
- Verifique interligações e proteções
Essa habilidade é muito valorizada em áreas como manutenção elétrica e automação industrial.
Aplicações da Partida Estrela Triângulo
A partida estrela triângulo é utilizada em aplicações onde é necessário reduzir a corrente de partida sem exigir alto torque inicial. Ela é ideal para motores trifásicos que operam com carga leve ou moderada.
Na prática, esse método é muito comum na indústria, pois oferece um bom equilíbrio entre custo, simplicidade e desempenho.
Uso em motores industriais
A partida estrela triângulo é amplamente aplicada em motores de indução trifásicos usados em ambientes industriais.
Ela é indicada quando:
- O motor possui potência média ou alta
- A rede elétrica não suporta picos elevados de corrente
- Não há necessidade de controle de velocidade
Esse tipo de partida ajuda a preservar:
- A instalação elétrica
- Os equipamentos conectados na mesma rede
- A vida útil do motor
É uma solução clássica em painéis de comando industriais.
Aplicação em bombas e ventiladores
Bombas centrífugas e ventiladores são exemplos ideais para uso da partida estrela triângulo.
Isso acontece porque:
- O torque inicial exigido é baixo
- A carga aumenta gradualmente com a rotação
- O motor não precisa partir com esforço máximo
Exemplos comuns:
- Sistemas de bombeamento de água
- Exaustores industriais
- Sistemas de climatização
Nesses casos, a partida suave evita impactos elétricos e mecânicos desnecessários.
Indústrias que utilizam esse método
Diversos setores utilizam a partida estrela triângulo em suas operações.
Entre os principais:
- Indústria alimentícia
- Indústria química
- Saneamento básico
- Indústria de papel e celulose
- Sistemas de HVAC
Esses segmentos utilizam motores trifásicos em larga escala, o que torna essencial o controle da corrente de partida.
Quando NÃO utilizar estrela triângulo
Apesar das vantagens, nem sempre esse método é a melhor escolha.
Evite utilizar partida estrela triângulo quando:
- O motor exige alto torque na partida
- A carga já inicia com esforço elevado
- Há necessidade de controle de velocidade
- O processo exige partida extremamente suave
Exemplos onde não é recomendado:
- Esteiras carregadas
- Britadores
- Compressores pesados
Nesses casos, soluções como soft starter ou inversor de frequência são mais adequadas.
Como Fazer a Ligação Estrela Triângulo Passo a Passo
A ligação estrela triângulo é feita conectando corretamente os terminais do motor e os contatores para permitir a comutação entre estrela na partida e triângulo na operação. Esse processo exige atenção à identificação dos fios e à lógica de comando.
Na prática, seguir um passo a passo evita erros comuns e garante segurança na instalação de motores trifásicos.
Identificação dos terminais do motor
O primeiro passo é identificar corretamente os terminais do motor trifásico.
Motores compatíveis com estrela triângulo possuem seis bornes, normalmente identificados como:
- U1, V1, W1
- U2, V2, W2
Esses terminais representam o início e o fim de cada enrolamento.
Passos importantes:
- Verifique a placa do motor
- Confirme a tensão nominal
- Identifique os pares de bobinas corretamente
Um erro nessa etapa pode causar falha na partida ou até queima do motor.
Montagem do circuito de potência
O circuito de potência é responsável por alimentar o motor e permitir a mudança de ligação.
Na prática, você deve:
- Conectar a alimentação trifásica ao contator principal
- Interligar os contatores estrela e triângulo ao motor
- Fazer as pontes corretas entre os terminais
Resumo da lógica:
- Contator estrela une os finais dos enrolamentos
- Contator triângulo faz a ligação cruzada entre bobinas
Cuidados essenciais:
- Aperto correto dos terminais
- Dimensionamento adequado dos cabos
- Verificação de continuidade
Montagem do circuito de comando
O circuito de comando define como e quando o sistema vai operar.
Elementos principais:
- Botão de partida
- Botão de parada
- Contatos auxiliares
- Temporizador
- Bobinas dos contatores
Sequência básica:
- Pressionar o botão de partida
- Acionar contator principal e estrela
- Temporizador inicia contagem
- Após o tempo, estrela desliga e triângulo liga
Esse circuito garante automação e segurança no funcionamento.
Testes e validação do sistema
Após a montagem, é fundamental realizar testes antes da operação contínua.
Checklist básico:
- Verificar ligações elétricas
- Confirmar funcionamento dos contatores
- Ajustar o tempo do temporizador
- Medir corrente de partida
Durante o teste, observe:
- Se há ruídos ou trancos
- Se a comutação ocorre corretamente
- Se o motor atinge rotação normal
Esse processo evita falhas futuras e garante que o sistema esteja operando corretamente.
Perguntas Frequentes sobre Partida Estrela Triângulo
A partida estrela triângulo gera dúvidas comuns sobre funcionamento, aplicação e eficiência. Abaixo estão respostas diretas e otimizadas para as principais perguntas feitas no Google.
Qual a diferença entre partida direta e estrela triângulo?
Na prática:
Partida direta:
Motor recebe tensão total imediatamente
Corrente de partida muito alta
Maior impacto na rede elétrica
Partida estrela triângulo:
Inicia com tensão reduzida
Corrente de partida menor
Transição para operação normal após alguns segundos
Resumo simples:
Partida direta é mais simples, porém mais agressiva
Estrela triângulo é mais suave e controlada
Qual a diferença entre partida direta e estrela triângulo?
A principal diferença está na corrente de partida e no impacto na rede elétrica.
Na prática:
Partida direta:
- Motor recebe tensão total imediatamente
- Corrente de partida muito alta
- Maior impacto na rede elétrica
Partida estrela triângulo:
- Inicia com tensão reduzida
- Corrente de partida menor
- Transição para operação normal após alguns segundos
Resumo simples:
- Partida direta é mais simples, porém mais agressiva
- Estrela triângulo é mais suave e controlada
Quando usar partida estrela triângulo?
A partida estrela triângulo deve ser usada quando é necessário reduzir a corrente de partida em motores trifásicos.
Situações ideais:
- Motores de média e alta potência
- Redes elétricas com limitação de corrente
- Cargas leves ou moderadas na partida
Exemplos comuns:
- Bombas centrífugas
- Ventiladores
- Sistemas industriais contínuos
Evite usar quando o motor exige alto torque inicial.
A partida estrela triângulo reduz o consumo de energia?
Não. A partida estrela triângulo não reduz o consumo de energia durante a operação do motor.
O que ela faz é:
- Reduzir a corrente apenas no momento da partida
- Diminuir picos elétricos na rede
Após a comutação para triângulo:
- O motor opera normalmente
- O consumo depende da carga aplicada
Ou seja, ela melhora a partida, não a eficiência energética contínua.
Qual motor pode usar estrela triângulo?
Nem todos os motores são compatíveis com esse tipo de partida.
Para utilizar estrela triângulo, o motor deve:
- Ser trifásico
- Possuir seis terminais acessíveis
- Ter tensão compatível com ligação estrela e triângulo
Além disso:
- Deve suportar partida com torque reduzido
- Precisa estar corretamente dimensionado para a aplicação
Motores de indução trifásicos são os mais utilizados nesse método.

